英威腾Goodrive200A系列变频器在铅带收卷机上的应用
发布时间:2022-11-03点击量: 113
摘 要:本文以收卷机(卷筒)控制系统为例,详细介绍了Goodrive200A系列变频器在收卷机(卷筒)上的应用。
关键词:Goodrive200 收卷机 卷筒
1.引言
一种铅带收卷机的自动助卷装置,用于解决铅带收卷机切换时的铅带导入问题,它包括执行机构、驱动机构和铅带导向槽,所述执行机构由压紧辊组件和收卷机主轴组成,所述压紧辊组件包括布置在收卷机主轴左右侧的两部分,其中每一部分均包括压紧辊、压紧辊固定座和导向板,所述压紧辊数量不少于三个,它们均通过轴承组件与压紧辊固定座装配,所述压紧辊固定座呈圆弧形状,其径向截面为矩形槽结构,压紧辊布置在该矩形槽中,在相邻两压紧辊之间设有导向板,所述导向板固定在压紧辊固定座矩形槽的边缘部位。本实用新型结构简单,运行稳定可靠,不仅显著地提高了生产效率,而且消除了安全生产方面的隐患,同时为设备的自动化升级带来了极大便利。
铅带收卷机,主要是收集铅带,需要张力控制。工艺流程如下:

2.控制要求
本文仅以英威腾变频器在铅带收卷使用现场的要求为例进行说明,具体控制要求有如下:

客户需求一台 5.5 千瓦变频器控制收卷电机,随着卷径的变化,张力随之变化,变频器采用直流供电。其中对变频器及控制要求主要包括:
● 低频转矩输出较大;
● 加减速过程中速度输出的均匀性;
● 断电维持并减速同步停车;
● 减速同步停车的减速时间最好精确到小数点后两位;
● 张力控制要求精确。
3.英威腾Goodrive200A变频器介绍
Goodrive200A变频器具有优异的矢量控制性能,实现转矩控制、速度控制的一体化,能满足不同客户多种应用需求。同时,Goodrive200A变频器具有超出同类产品的防跳闸性能和适应恶劣电网、温度、湿度和粉尘能力,极大提高产品可靠性。主要特点如下:
● 产品可实现准确的参数自学习,提供优异的电机驱动性能;
● 具有先进的开环矢量控制性能,良好的电压、电流控制技术;
● 产品设计严格遵循IEC国标标准,并通过了CE认证测试;
● 标配内置RS485通讯接口,支持Modbus通讯协议;易用的上位机软件,便于监控和调试;
● 内置选配C3滤波器,可外置选配C2滤波器,EMC性能更优秀,使产品在电磁干扰场合更适用。
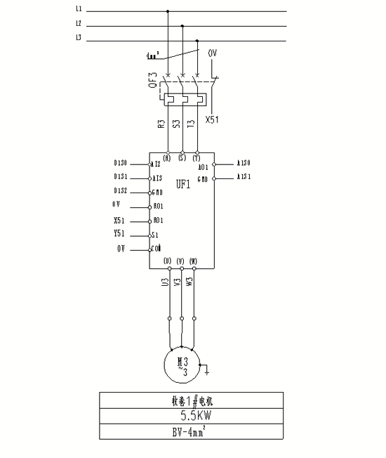
4.系统接线



5.总结
这款变频的功能非常强大,变频的功能非常全面,有短路、过载、过压、缺相、失速等多种保护和故障输出功能,能有效保证系统安全高效的运行,而且还有内部PLC,通讯功能强大,操作简单。
参考文献:
[1]《Goodrive 200A 变频器产品说明书》深圳市英威腾电气股份有限公司




