RTG轮胎吊
传统的 RTG 供电系统大都采用柴油发电机供电,在工作过程中柴油发电机一直处于运转状态,不但能耗大,又会造成对环境的污染。有些集装箱码头 RTG“油改电”后虽然减少了柴油发电机的尾气污染,但仍然采用制动单元和制动电阻消耗各机构电机制动能量,会造成能源的浪费。港口RTG原配的外资品牌变频器因产品升级已全球停产,由此带来备件采购困难,周期长且价格昂贵、故障率高等困扰用户的问题。作为国产领军品牌,英威腾已在港口起重行业深耕十余年,应用业绩众多,可以为客户提供高性价比、服务便捷的全流程港口起重解决方案。
解决方案

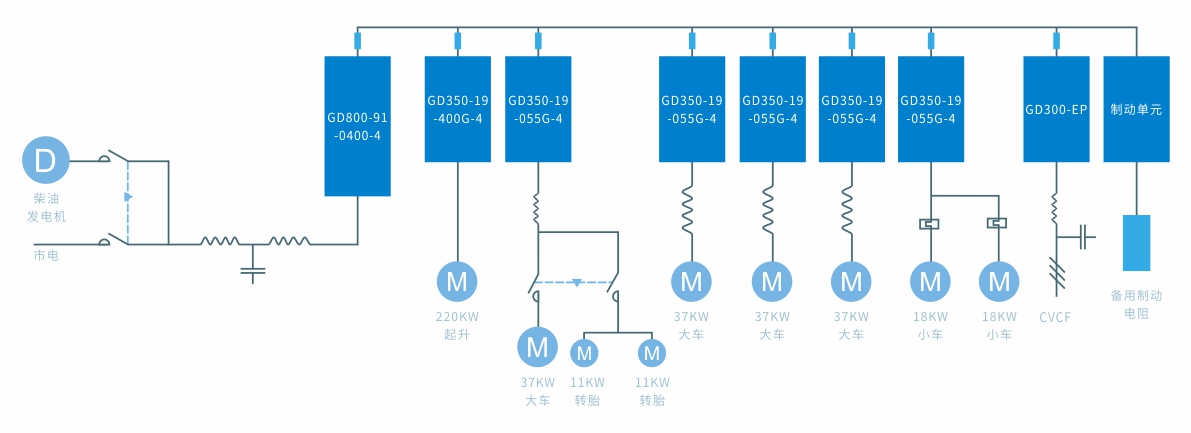
针对RTG“油改电”后的节能改造,英威腾公司开发的 GD800 系列产品可以针对不同规格 RTG 量身定制能量回馈装置(AFE),市电接入 AFE 三相进线,起升、大车、小车各机构变频器共 AFE 直流母线,作业时可以将 RTG 各机构电机处于发电状态时的能量通过 AFE 至接回馈电网,实现能量的双向流动,达到理想的节能效果。
四象限整流回馈技术特点:
- 1
产品关键器件均选用国际知名品牌,确保产品可靠性;
- 2
每个变频器单元均为独立变频单元,通过相同型号单元直接并联实现扩容,1个控制单元最多可控制6变频单元,控制单元之间可实现主从控制;
- 3
变频器单元通过光纤通讯由控制单元控制,控制单元独立模块化设计,方便系统成柜,可分布式安装,强弱电隔离,抗干扰能力强;
- 4
支持主流通讯协议,通过选配不同通讯模块实现不同的通讯功能。
- 5
四象限PWM整流技术应用,有效降低电网侧谐波含量;

针对混合动力RTG解决方案,英威腾公司开发的 GD800 系列产品可以针对不同规格 RTG 量身定制,柴油发电机接入 AFE 三相进线,起升、大车、小车各机构变频器、电池共 AFE 直流母线,作业时可以将 RTG 各机构电机处于发电状态时的能量通过共母线通过DC-DC控制实现对电池充电,在工作时通过DC-DC控制再用电池作为电源给逆变器供电,电池电压低的时候,发电机发电给负载供电及通过DC-DC给电池充电。
混合动力技术特点:
- 1
充电电流可控
- 2
充电电压可控
- 3
能量利用率高
- 4
支持主流通讯协议,通过选配不同通讯模块实现不同的通讯功能
开始在线采购咨询,我们的销售人员将会与您联系!
开始咨询




