英威腾Goodrive35系列变频器在车铣一体机上的应用
发布时间:2022-11-01点击量: 105
摘 要:在机床行业对变频器的要求一向很高,数控机床对变频器的要求主要不是在功能上,而是最基本的性能要求,包括输出扭矩大小,大负载情况下的速度稳定性,抗干扰抗油污腐蚀等性能,低频零速的转矩保持等。
关键词:Goodrive35 车铣一体机 高速主轴 闭环矢量控制
一、引言
加工效率与精度是金属加工领域追求的永恒目标。随着数控技术、计算机技术、机床技术以及加工工艺技术的不断发展,传统的加工理念已不能满足人们对加工速度、效率和精度的要求。在这样的背景下,复合加工技术应运而生。
随着变频器技术的不断进步,变频器已经能达到类似伺服电机一样的定位功能,可以很好的应用在数控机床主轴定位及控制中。

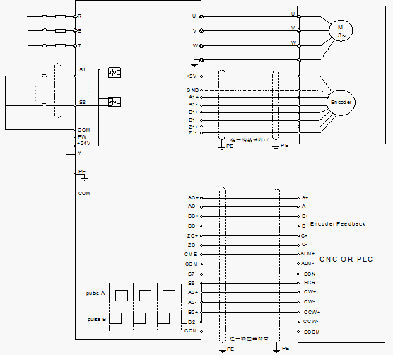
图1车铣一体机主控制系统
二、控制要求
本文仅以英威腾变频器在某机床厂车铣一体机现场调试的要求为例进行说明,如图2所示,具体控制要求有如下:
Ø 客户需求两台4千瓦变频器一台控制机床的主轴电机,主轴电机属于高性能异步电机,额定转速在7000转。其中对变频器及控制要求主要包括:
a) 低频转矩输出较大,车铣加工对变频器的扭矩输出有很高的要求。
b) 闭环控制高速运行稳定,该机床高速可达8000转。
c) 定位准确,具有伺服一样精度的定位功能,实现主轴定位。
d) 零速保持状态时稳定不抖动又有较高的力矩输出保证。
e) 极短的加减速时间保证机械的工作效率。
f) 在高速脉冲控制运作时,良好的抗干扰性能。

图2 现场
三、英威腾Goodrive35变频器介绍
Goodrive35变频器是深圳市英威腾电气股份有限公司新开发的一款高性能闭环矢量变频器,具有V/F,无PG矢量两和带PG矢量三种控制模式,其中在突加减载荷的情况下,速度波动非常轻微;可支持永磁同步电机、变频器电机、直驱电机等,可以为用户减少库存,不再需要为不同的电机备用不同变频器的库存;具有准确的电机参数自学习功能,支持旋转自学习与静态自学习,其中静态自学习可以在电机无法脱开负载的场合准确的学习电机的参数;具有先进的全程三相调制方式,使电机运行更平稳,噪音更小;其他的特性参数、功能如下表所示:
调速比 | 1:1000 |
速度控制精度 | ±0.02% |
伺服控制 | 脉冲串给定,任意位置定位控制 |
转矩响应 | <10ms |
转矩控制精度 | ≤5% |
起动转矩 | 0.00Hz/200% |
过载能力 | 150%额定电流1分钟,180%额定电流10秒,200%额定电流1秒 |
分频输出 | 编码器脉冲分频输出(H1,D1型端子)。 |
速度/位置模式切换 | 支持端子切换 |
编码器 | A1型变频器支持200kHz,B1,C1型变频器支持100kHz, D1型变频器支持500kHz,H1型变频器支持300kHz |
定位性能 | 支持Z脉冲及光电开关定位,定位准确无超调 |
四、系统接线及调试
整个系统是由CNC数控系统给变频器运行命令和频率给定的.Goodrive35系列变频器在闭环矢量控制上性能优异,。
4.1 系统调试
调试主要要解决几个问题:
一.干扰是调试过程中遇到的最大问题。
二.是低频力矩输出能力。
三.高速运行时的速度稳定性。
四.主轴定位精度
Ø 由于CNC数控系统通过高速脉冲控制变频器的速度,电机主轴的运行速度很高,最高可以达到8000转,在如此高的转速下变频器自身的干扰会影响高频的脉冲指令,使脉冲控制受到影响,通过端子板的更新以及将GND端子外接PE消除干扰。
Ø 电机的高速响应,客户要求主轴电机在启动和停车时能有很短的时间,设定是1秒钟,从0速升到最高需求转速或者从高速降为零速,为此速度环增益调节的比较大。
Ø 扭矩输出,在车加工和铣加工过程中主要考验变频器的力矩输出能力和稳定性,通过电流环参数的调节和电机参数的调节可以使出力更大,满足客户的要求甚至极限情况的需求。
Ø 主轴定位精度,客户通过多次主轴回零操作以及数控机床分度测试,检验变频器的定位精度。
4.2变频器参数设置
变频器部分关键参数见表1。
表1: GD35参数设置情况表
功能玛 | 功能说明 | 参数值 | 功能玛 | 功能说明 | 参数值 |
P0.00 | 速度控制模式 | 3 | P20.01 | 编码器脉冲数 | 2048 |
P0.01 | 运行通道选择 | 1 | P20.02 | 编码器方向 | 0/1 |
P0.03 | 最大频率 | 270 | P21.00 | 位置模式选择 | 1 |
P0.04 | 上限频率 | 270 | P21.02 | 位置环增益1 | 120.0 |
P3.00 | 速度环比例增益1 | 100 | P21.03 | 位置环增益2 | 20.0 |
P3.01 | 速度环积分时间1 | 0.05 | P21.04 | 位置环增益切换方式 | 2 |
P3.02 | 切换低点频率 | 2 | |||
P3.03 | 速度环比例增益2 | 80 | |||
P3.04 | 速度环积分时间2 | 0.2 | |||
P3.05 | 切换高点频率 | 5 | |||
P3.09 | 电流环比例增益 | 500 | |||
P3.10 | 电流环积分增益 | 2400 | |||
P3.20 | 转矩上限 | 220% |
本系统变频器具有短路、过载、过压、缺相、失速等多种保护和故障输出功能,能有效保证系统安全高效的运行。
五、结束语
车铣一体类机床是目前机床行业的先进机型又成车铣复合加工中心,在此类高端设备上的应用成功体现了我们GD35变频器已经具备了变频器产品非常高的控制和驱动性能。某些场合已经可以代替伺服控制系统。
参考文献
[1] 《Goodrive 35变频器产品说明书》深圳市英威腾股份有限公司




